Centralele Liepsnele sunt compatibile cu instalatia pe care o detii in momentul de fata si cu schemele clasice de instalare.
Pentru ca centrala pe lemne Liepsnele sa se potriveasca cu instalatia pe care o detii trebuie sa tii cont de urmatoarele sfaturi.
Instalarea unei centrale Liepsnele va trebui realizata doar de catre persoane specializate in domeniu. Lucrarea trebuie sa fie garantata si realizata consultand manualul de instructiuni al centralei Liepsnele.
Cu ajutorul unui tehnician calificat si a sfaturilor din acest articol si din manualul tehnic instalarea centralei se va dovedi a fi o lucrare nu foarte complicata. Iata care sunt informatiile pe care trebuie sa le cunosti inainte de a conecta o centrala Liepsnele la sistemul de incalzire existent.
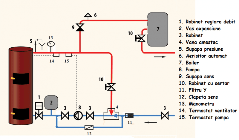
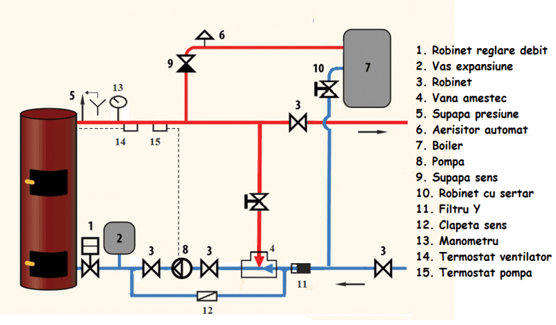
Centralele Liepsnele sunt centrale inalte, iar locul de ardere din interior se schimba in timpul arderii. Drept urmare, apa calda trebuie sa aiba o singura directie de circulare. Limitele de debit (L-10 250l/h, L-20 600l/h, L-40 1000l/h) trebuie respectate cu strictete. Aceasta este una dintre cele mai importante reguli pentru conectarea centralei Liepsnele.
Recomandari pentru instalarea centralei Liepsnele
Pentru o functionare corecta si in siguranta a centralei Liepsnele, ar trebui sa respecti urmatoarele recomandari:
- Este necesara instalarea unei vame termice de amestec care sa aiba in dotare un termostat de 55 sau 60°C. Aceasta este foarte utila deoarece ajuta la mentinerea unei temperaturi constante a apei pe retur. Pompa de recirculare se monteaza dupa vana termica de amestec, chiar pe conducta retur a centralei Liepsnele.
- Pompa de recirculare poate fi automatizata cu ajutorul unui termostat de imersie sau contact cu bratara, pe conducta de tur in apropierea centralei. Termostatele electronice nu sunt recomandate in cazul centralelor Liepsnele. Termostatul va fi reglat in asa fel incat sa realizeze cuplarea doar atunci cand apa atinge o temperatura ce depaseste 40 de grade. Nu recomandam montarea termostatului in locul dedicat instalarii supapei de presiune.
- Robinetul de debit DN 25 se monteaza aproape de centrala, pe retur. Se recomanda optarea pentru un robinet de debit care sa aiba si functie de masurare a debitului. Astfel pot fi respectate limitele precizate in randurile de mai sus.
- Incercati sa folositi cat mai putine pompe de recirculare. Totusi, daca este necesara prezenta mai multor pompe, atunci ar trebui montate in asa fel incat sa nu existe riscul deteriorarii circulatiei in sens unic a sistemului de incalzire.
- Se poate folosi o supapa de sens pentru ca acest lucru sa fie posibil. Noi recomandam montarea a 2 supape de siguranta de 1.5 bar.
- Debitul de apa in exces sau zgomotul provocat de sistemul de incalzire pot fi aspecte destul de neplacute. Din acest motiv iti recomandam sa calculezi puterea electrica a tuturor pompelor de recirculare.
- Centrala de 10 kW pot folosi o pompa de recirculare apa cu putere cuprinsa intre 25 – 60W.
- Centrala de 20 kW poate folosi o pompa de recirculare apa cu putere cuprinsa intre 40 si 80W.
- Iar centrala de 40 kW poate folosi o pompa de recirrculare apa de 50 – 100W.

Alte sfaturi utile
Daca boilerul termoelectric a fost legat in serie la sistemul de incalzire atunci nu este nevoie de o stabilire a debitului de apa. Legatura in serie nu este mereu posibila. Drept urmare tehnicianul poate decide montarea altor accesorii pentru legatura centralei la sistemul de incalzire, astfel incat si reparatiile ulterioare sa fie mai usor de realizat deconectand diferite parti ale sistemului de incalzire. In ceea ce priveste supapa de siguranta, aceasta trebuie montata chiar pe cazan, in locul dedicat acesteia. Nu se recomanda montarea altei armaturi in acest loc. Supapa de siguranta trebuie sa dispuna si de o conducta prin care sa se scurga aburul, pentru evitarea diferitelor accidente.
Dupa ce s-a realizat legatura centralei cu sistemul de incalzire, se recomanda reglarea debitului conform limitelor mentionate mai sus. Pentru acest lucru se foloseste robinetul de reglare a debitului. Recomandam aerisirea sistemului inainte de o prima pornire a centralei, iar acest lucru se realizeaza cu pompa de recirculare pornita.

Procedurile recomandate in diagrama de mai sus se realizeaza tinand cont si de diagrama reprezentata in figura de mai sus. Totusi, inainte ca sistemul de incalzire sa fie reglat, robinetul (10) localizat pe conducta de retur a boilerului termoelectric trebuie inchis pe jumatate. Recomandam optarea pentru un robinet cu sertar. Daca boilerul termoelectric nu pare a se incalzi suficient, atunci poti deschide usor robinetul de debit (1).
Atunci cand se folosesc lemne pentru alimentarea centralei, inchide supapa (9) iar daca se folosesc carbuni atunci lasa supapa deschisa. Cand se realizeaza alimentarea centralei Liepsnele, se ridica distribuitorul de aer (11) cu ajutorul inelului (8) de pe cablul din partea dreapta a usii.
Alimentarea centrala Lipesnele
Daca se foloseste carbune sau turba trebuie utilizat gratarul iar supapa (9) trebuie sa fie neaparat deschisa.
In cazul in care optezi pentru sistemul de incalzire cu radiatoare, atunci se recomanda montarea robinetilor cu cap termostatat pe 80% din radiatoare. Avantajul acestor robineti este reprezentat de cresterea timpului de functionare al centralei, cu un consum de combustibil redus.
Inainte ca focul sa fie aprins in centrala pe lemne trebuie consultat manualul de instructiuni pentru a te asigura ca instalarea centralei a fost realizata respectand indicatiile oferite de producator.
Alimentarea centralei se face pe usa din partea superioara. Lemnele se pun orizontal, se aprinde focul iar apoi se inchide usa partial. Lasa o mica deschidere timp de 3 minute. Atunci cand observi ca lemnele s-au aprins, usa se poate inchide complet. Apoi se scoate inelul cablului (8) din carlig iar distribuitorul de aer poate fi lasat in jos. Pot fi folosite pastile de aprins focul, lichidele inflamabile fiind nerecomandate in cazul centralelor Liepsnele.
Ventilatorul care asigura alimentarea cu aer se porneste imediat dupa ce usa de alimentare a fost inchisa.

